海坦首页
走进海坦
公司简介
企业荣誉
产品展示
新闻动态
公司新闻
行业资讯
客户服务
联系我们
名称
描述
内容
产品展示
Product display
订购热线
18658718077
把手锁
圆柱锁
平面锁
连杆锁
搭扣
拉手
铰链
电子锁
附件
7
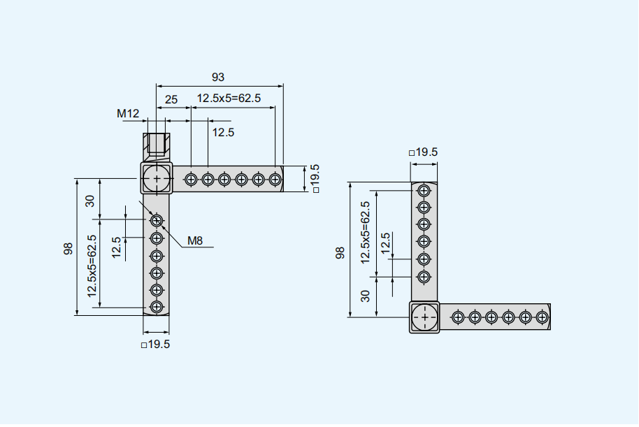
附件 FJ019-1D(铁三通)
市场价:
¥
0.00
价格: ¥
0.00
上一个:
附件 FJ019-2......
下一个:
附件 HP001