产品展示

Product display

订购热线

18658718077

连杆锁MS828

连杆锁MS828

特征说明

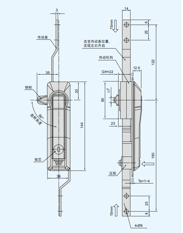
材质:锌合金基座、手柄、按钮、压板,碳钢钢栓、传动条
表面处理:纳米亚光 ( 或喷黑 ) 基座、手柄、按钮,镀白锌钢栓、传动壳组件
结构说明:快速开启,安装方便快捷;手柄 90°旋转带动传动壳组件实现开启或锁闭
备注:默认配 K0600 钥匙

0.00
0.00
  

特征说明

材质:锌合金基座、手柄、按钮、压板,碳钢钢栓、传动条
表面处理:纳米亚光 ( 或喷黑 ) 基座、手柄、按钮,镀白锌钢栓、传动壳组件
结构说明:快速开启,安装方便快捷;手柄 90°旋转带动传动壳组件实现开启或锁闭
备注:默认配 K0600 钥匙