海坦首页
走进海坦
公司简介
企业荣誉
产品展示
新闻动态
公司新闻
行业资讯
客户服务
联系我们
名称
描述
内容
产品展示
Product display
订购热线
18658718077
把手锁
圆柱锁
平面锁
连杆锁
搭扣
拉手
铰链
电子锁
附件
8
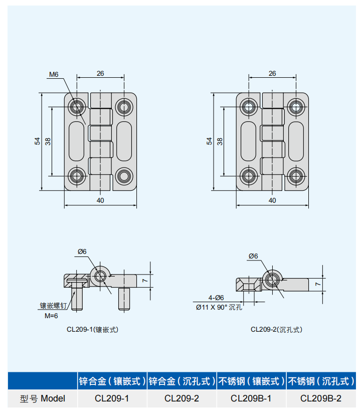
铰链CL209-1(-2)/CL209B-1(-2)
特征说明
材质:
锌合金铰链、碳钢销子
表面处理:
亚光、镀亮铬或喷黑
结构说明:
可开启角度
180
°
市场价:
¥
0.00
价格: ¥
0.00
特征说明
材质:
锌合金铰链、碳钢销子
表面处理:
亚光、镀亮铬或喷黑
结构说明:
可开启角度
180
°
上一个:
铰链CL209-1C......
下一个:
铰链CL208